Alhamdulillah. The Wind Turbine Generator in Train System project was successfully done. I would like to thank my supervisor, Mr. Syamsul Adlan Bin Mahrim for his commitment, responsibility, supports and guidance in assist me through every stage of this project. It was a great journey to be under your supervision and doing this project. Thanks to those who read this blog! :)
Saturday, 17 November 2012
Wednesday, 7 November 2012
Tuesday, 6 November 2012
Saturday, 3 November 2012
Final prototype of Wind Turbine Generator in Train System
Final prototype
Labeling
of prototype
Labeling
of prototype is very important to every project. It is because from the
labeling the prototype looks more tidy and proper. Besides that, it is easier
for people to see clearly what is on the prototype.
Tuesday, 30 October 2012
Results
Project Description
•
Wind charger is
operating using 12V battery. This system is using LCD to show wind generator
and battery voltage. When the battery voltage is low, motor will charge the
battery.
•
When system is
operating, voltage sensor detect wind generator voltage and show on LCD.
Voltage sensor detects battery voltage. If battery voltage more than 12V, green
LED will turn on. Else, red LED will turn on. Battery voltage will show on LCD.
Condition : Battery is charging.
Yellow LED indicates system runs, red battery is not full and green for
charging the battery.
Condition : Battery is not charging.
Yellow LED indicates system runs, green LED for battery is full.
Wednesday, 17 October 2012
Coupling DC motors
· Voltage produced
by a single motor with wind turbine is not sufficient enough to charge up 12V
DC battery.
· In this case coupling DC motors are introduced. There are six numbers of couplings that are being connected in series connection to get higher voltage. Need a motor with battery supply of 6V to drive another motor. In this case it became DC generator. The motor that is used to drive is a replacement of wind source.
· By using this method, the motor that is driven will produce higher voltage which is approximately 1.5V each coupling compared to a single motor with wind turbine which only produce only 0.14V.
· The reason why
every coupling has its own battery supply of 6V instead of using one supply to
all six couplings is because voltage drop does not occur. Using one supply to
all six couplings will produce voltage drop and in this case some of the motors
do not have sufficient voltage to drive another motor.
Saturday, 13 October 2012
Making platforms for project components
Prospect is used as the platform to install the project components. By using this prospect, the prototype will look more tidy and proper. Pictures below shows the process of cutting prospect.
Examples of platforms for components by using prospect
For coupling DC motors
For DC motor with wind turbine
For switch on/off and LEDS
For charging circuit
For LCD display
Saturday, 6 October 2012
How to make wind turbine blades
The
easiest object that you can find to make wind turbine blades is by using drink can.
The main reason why drink can is being chose at the first place is about the
material which is light in weight. Because of this the wind turbine can spins
smoother and easier. Besides that, the material is flexible. Flexible in this
case means to shape something. The wind turbine needs to be airfoil in shape.
Because of this airfoil shape, it will be easier for the wind turbine to spin
when there is wind energy source. A can of drink normally would cost you only
RM1.50 and you it can be found anywhere. It is good to use recycle items to
make something useful out of it. Below shows the steps in order to make wind turbine blades:-
Sunday, 30 September 2012
Source code for Wind Turbine Generator in Train System
***coding for charging circuit
#include <16F877a.h>
//use pic16f877a
#device adc=10 //use
10bit adc detect bat voltage
#use delay(clock=20000000) //clock speed=20mhz
#fuses hs,noprotect,nowdt
//default setting
#define use_portb_lcd TRUE //use portb for lcd
#include <lcd.c>
//call lcd.c library
//enable port a, b, c, d, e
#byte PORTA=5
#byte PORTB=6
#byte PORTC=7
#byte PORTD=8
#byte PORTE=9
long int adc1;
long int adc2;
int mycount=40;
float mybat, mywind;
void main()
{
//initialize system
set_tris_a(0b11111111);
set_tris_b(0b00000000);
set_tris_c(0b00000000);
set_tris_d(0b00000000);
set_tris_e(0b00000000);
setup_port_a(ALL_ANALOG);
setup_adc(ADC_CLOCK_INTERNAL);
output_low(pin_d2); //stop
charging
output_high(pin_d5); //on green led
output_high(pin_d4); //on red led
delay_ms(1000);
output_low(pin_d5);
//off green led
output_low(pin_d4);
//off red led
lcd_init();
lcd_putc("\f");
do
{
if(mycount==40)
{
mycount=0;
//cutoff
charging
output_low(pin_d2);
delay_ms(200);
//read solar
volt
set_adc_channel(0);
delay_ms(10);
adc1=read_adc();
mywind=adc1/65.41;
delay_ms(10);
//read battery volt
set_adc_channel(1);
delay_ms(10);
adc2=read_adc();
mybat=adc2/65.41;
delay_ms(10);
//display
output
printf(lcd_putc,"\fB:%.2f W:%.2f ",mybat, mywind);
if(mybat<12) //if battery <
12V
{
output_low(pin_d5); //off green led
output_high(pin_d4); //on red led
output_high(pin_d2); //charge
battery
printf(lcd_putc,"\nBat Charging
");
}
else //if battery >= 12V
{
output_high(pin_d5); //on green led
output_low(pin_d4); //off red led
output_low(pin_d2); //stop charge
battery
printf(lcd_putc,"\nBat
Not Charging");
}
}
else
{
mycount=mycount+1; //increase
counter
}
delay_ms(250);
}while(1);
}
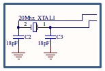
Schematic diagram for Wind Turbine Generator in Train System
Schematic diagram
Schematic diagram explainations
1) 20
MHz crystal
· 20 MHz crystal is used in order to enable the PIC to execute
every single program line in the system
· 20 MHz crystal is used because this is
the maximum frequency that the PIC
can support. If the speed is less than 20 MHz then the PIC response speed will
be slower.
· If over frequency the PIC will burn.
2) Voltage
regulator LM7805
· To protect PIC
and other connected sensors / actuators from over voltage (maximum 5V).
· It supports input voltage from 7V DC to
18V DC. If the input voltage is over, the LM7805 will burn or auto shutdown due
to overheat.
· The generated 5V from LM7805 will be
noise filtered by 0.1uF ceramic capacitor and a 1000uF electrolytic capacitor.
This is to avoid high frequency oscillation on the outputs which may cause
system hang or unstable.
· A diode is connected at the input of the
LM7805. This is to avoid voltage connected reversely.
· The power LED is used to indicate the
system is ‘ON’/running.
3) Relay
(5V Relay-SPDT)
· A relay is used to start or stop charging the operation. This relay is controlled by PIC microcontroller. Whenever the charging operation is
running, a LED indicator will turn on else the LED indicator will turn off.
4) PIC16F877A microcontroller
· PIC16F877A microcontroller is used to
control the whole system.
· Port A is used for input. The inputs are
from battery and motor.
· Port B is used for LCD display.
· Port D is used for outputs. There are
three LEDs used as indicators. The red LED at pin RD4 is used to show battery
voltage less than 12V or not fully charge. The green LED at pin RD5 is to
indicate when the battery is full while the green LED at pin RD2 is to show
battery is charging.
5) LCD display
· · LCD display is used to show the wind
generator and battery voltage.
6) Diode
(lN 4007)
· Diode is used to make sure current flows
in one way. This is to prevent the current to go reverse and hence can damage
the components.
Sunday, 16 September 2012
Procedure for PCB design
Step 1
Step 2
Step 3
Step 4
Step 5
Step 6
Step 7
Step 8
Step 9
Step 10
Step 11
Step 12
Step 13
Step 14
Step 15
Subscribe to:
Comments (Atom)














































